EATON Prúdový chránič PF7 25/4/003 A
EATON Prúdový chránič PF7 25/4/003 A
Trojfázový chránič, typ A, reziduálny prúd 30 mA. viac
Výrobca: EATONKód produktu: 39442 Hmotnosť: 0.35 kgDoprava a platba
Trojfázový chránič, typ A, reziduálny prúd 30 mA. viac
Výrobca: EATONKód produktu: 39442 Hmotnosť: 0.35 kgDoprava a platba
Použitie
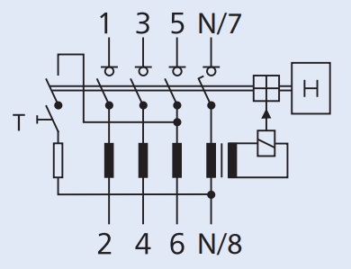
Trojfazový prúdový chránič pre napätie 230/400 V AC, vybavovací prúd 30 mA, bez oneskorenia. Chráni pred nebezpečným dotykovým napätím na živej alebo neživej časti el. zariadenia. Neslúži na ochranu pred skratom! Testovacie tlačidlo pre kontrolu funkčnosti. Typ A - citlivý na striedavý aj pulzujúci jednosmerný reziduálny prúd. Dimenzovaný prúd 25 A. Na prierez vodičov 1,5 - 35 mm². Strana sieťového pripojenia je ľubovoľná – možnosť voľby prívodných/vývodných svoriek. Signalizácia stavu vypnuté – zapnuté. Dvojité funkcie svoriek - hlavičkové / strmeňové. Pri použití prepojovacej lišty je možné použiť aj ako 2 - 3 pólový chránič. Skúšobné tlačidlo T musí byť aktivované raz za 6 mesiacov!Špecifikácia
Prúdový chránič – typ A – reaguje na sínusové striedavé a, na rozdiel od typu AC , pulzujúce jednosmerné reziduálne prúdy. Typ A si zachováva vypínaciu schopnosť aj v prípade prítomnosti malej hodnoty jednosmerného hladkého reziduálneho prúdu. Používa sa v klasických striedavých sieťach, v sieťach s fázovou reguláciou výkonu, obvodov s usmerňovačmi a pod. Vhodný na použitie s frekvenčnými meničmi a so softštartérmi.
Parametre
| Hmotnosť | 352 g |
|---|---|
| Rozmery (vx š xh) | 80x 70x75 mm |
| Krytie IP | 20 |
| Prevádzková teplota | -25 až +40 °C |
| Počet pólov | 4 |
| Prierez pripájaných vodičov | 1,5–35 mm² |
| Menovitý reziduálny prúd | 30 mA |
| Typ zvodového prúdu | A |
| Časová závislosť vybavenia | Bez oneskorenia |
| Max. napätie | 230/400 V AC |
| Max. zaťaženie kontaktov | 25 A |
| Podmienená skratová odolnosť | 10 kA |
| Montáž na DIN lištu | Áno |
| Počet modulov na DIN lište | 4 |
| Testovacie tlačidlo pre kontrolu funkčnosti | Áno |
| Mechanická životnosť v cykloch | 20.000 |
| Elektrická životnosť v cykloch | 4.000 |







